CSI-B369 呼吸濕化設備濕化輸出測試儀、濕度測試工裝、濕度測試系統
?一、概述:
濕度測試工裝主要測試濕化器的濕化輸出。
?二、技術參數:
參數 | 規格 |
操作系統 | PLC+Windows |
操作界面 | 筆記本電腦 |
標準溫度傳感器 | 熱敏電阻溫度傳感器;在溫度25℃~45℃時精度為±0.2℃ |
測試溫度范圍 | RT ~50℃ |
溫度探頭規格 | φ3.18*6mm |
氣體流量計 | 0~150L/min 精度:±2% 氣體輸入輸出口徑為22mm |
天平 | 量程:10kg 精度:0.1g 帶通訊(選配) |
電源 | AC220V 50Hz 功率:250W |
儀器規格 | 360*360*400mm |
?三、執行標準?
YY9706.274-2022 《醫用電氣設備 第2-74部分:呼吸濕化設備的基本安全和基本性能專用要求》
四、儀器特征
1、便攜式終端處理系統(包括軟件測試與分析系統):
采用便攜式筆記本電腦,操作簡單直觀方便,軟件系統采用Windows10系統,試驗報告可以多種格式輸出(如EXCL、PDF等)
2、標準溫度傳感器
2.1)在水中以1m/s的流量實現22℃階躍到37℃時,0.5s<溫度傳感器時間常數<1.0s;
2.2)環境溫度對傳感器精度的影響<0.01℃/1℃。
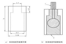
3、傳感器構造:
3.1)1根6mm長的外徑為3.18mm的銅管。內徑宜為熱敏電阻珠留出足夠的間隙。按照下圖中給出的尺寸且熱傳導率>386W/(m·K)的任何材料。熱敏電阻在25℃~45℃(在等溫混合的空氣或水中)之間,精度為±0.2℃。供應商通常具有在25℃時阻值2252Ω的熱敏電阻。
3.2)熱敏電阻的電導線宜是#32規格的鍍錫銅線,長度至少為60mm[包含其他熱傳導率180W/(m·K)的材料]。熱敏電阻的電導線宜被套上以實現電氣絕緣和熱隔離。熱塑管達到了兩個目的,包含任何熱傳導率<0.02W/(m·K)的電絕緣材料。
4、尺寸:符合下圖單位:毫米
五、配置清單
主機1臺;
說明書1份;
合格證1份;
保修卡1份;
簽收單1份;
銘牌1塊;
電源線1根;
扳手1套;
配套輸出接頭 22M/22F (可選配其他規格)
筆記本電腦 1臺(選配)
電子天平 1臺(選配)
標準溫度傳感器 2個
數據通訊線;1套

© 2019 上海程斯智能科技有限公司 版權所有 總訪問量:316632 GoogleSitemap
地址:上海市奉賢區莊行鎮東街265號 管理登陸 備案號:滬ICP備19009154號-4


